
Features

10W Contact Rating.

Normally 30W Contact Rating.

Normally Open contact.

Three sensitivity bands.

Higher Shock Limits.

Easy Screw Mounting.
Benefits

Omni-polar.

Does not require power for operation.

RoHS Compliant.

Not ESD Sensitive.

Various Cables and Connectors Available.

Actuator with same Housing available.
📝 Description
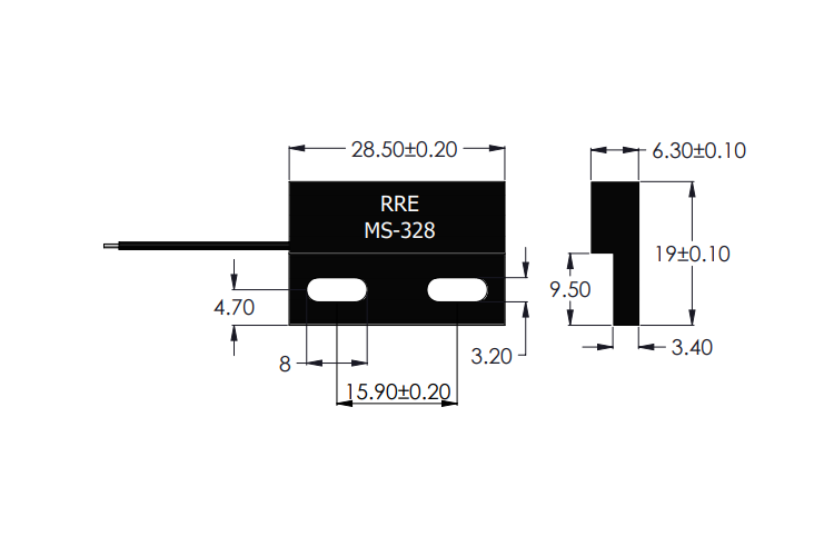
This standard Fast Pack Magnet sensor is designed for versatile industrial applications, capable of being securely mounted using M3 screws and handling loads up to 30W. Its adaptability makes it ideal for environments requiring frequent distance adjustments. Depending on the magnet and AT band utilized, various activation distances are achievable, catering to diverse operational needs.
Upon request, this standard flat pack magnet sensor can be equipped with non-standard connectors, enhancing its flexibility in different setups. Rigorous testing ensures reliability, with all sensors undergoing 100% evaluation for Operate AT, Release AT, Static Contact Resistance, and Variable Contact Resistance prior to packaging. This stringent quality control guarantees consistent performance in demanding conditions.
As an omni-polar device, the MS-328 can respond to either a north or south pole, or both, for activation. Selecting the appropriate AT band, magnet strength, and operating axis allows precise control over the number of activations and releases, ensuring optimal functionality tailored to specific requirements.
In summary, the MS-328 Standard Flat Pack Magnet sensor stands out for its robust construction, versatile mounting options, and precise activation capabilities, making it a reliable choice for industrial applications where frequent adjustments and dependable performance are essential.
⚡️ Electrical
| Parameters | Unit | Values |
| Contact Form | A | |
| Contact Rating (max) | W/VA | 30.0 |
| Switching Current (max) | A | 0.5 |
| Carry Current (max) | A | 2.50 |
| DC Switching Voltage (max) | VDC | 230 |
| Breakdown Voltage (min) | VDC | 350 |
| Contact Resistance (max) | mΩ | 150 |
| Insulation Resistance (min) | Ω | 109 |
| Capacitance (typ) | pF | 0.2 |
📊 Miscellaneous
| Parameters | Unit | Values |
| Operate Time (max) | ms | 0.35 |
| Bounce Time (max) | ms | 0.30 |
| Release Time (max) | ms | 0.15 |
| Resonance Frequency (typ) | Hz | >2000 |
| Operating Frequency (max) | Hz | 500 |
| Operating Temperature Range | °C | -40 to +70 |
| Shock Resistance (½Sin wave for 11ms) | G | 50 |
| Vibration Resistance (10-2000 Hz) | G | 20 |
⚙️ Ordering Code
MS-328-(Operate Band Code)-(Cable Length in mm)-(Cable Termination Code)
| Operate Band Code | ||
| 3 | AT | 20-25 |
| 4 | AT | 25-30 |
| 5 | AT | 30-35 |
| Cable Termination Code | Termination Type |
| S | Stripped to 5.0 mm |
| T | Stripped and Tinned |
Example: MS-328-4-500-T Denotes MS-328 Flat-pack Sensor in 25-30 Operate AT, with 500 mm cable length and Tinned ends.
Other Special Configurations: Lower Static Contact Resistance, Dynamic Contact Resistance Limit, Special Release Limits.
🛠️ Usage Notes
Here are some of the recommended usage notes to ensure maximum durability of this product. The complete usage notes are available here.
🧰 Applications
Although we can never restrict the use of a reed sensor to a particular field, the following is a list of some of the applications that the MS-328 Magnet Sensor is known to perform well.
Read about how welding machines use magnet sensors…